※ 技术特性
| 额定电负荷 | 50mA , DC12V |
| 接触电阻 | ≤100mΩ
|
| 绝缘电阻 | ≥100MΩ |
| 绝缘强度 | AC250V for 1 Minute |
寿命
| 300,000
|
| 行程 | 0.25mm±0.1mm
|
TSB06332-0040
左右滑动查看详情
※ TSA06332-0040
工作方式:
| 瞬时接触 |
接触方式:
| 单刀单掷,常开
|
安装方式:
| 直立插式
|
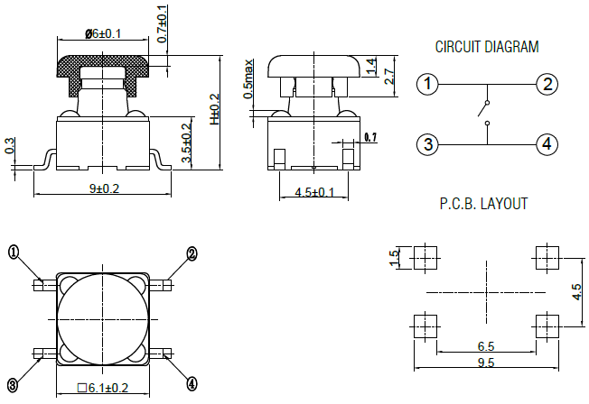
※ 尺寸图

※ 技术特性
| 额定电负荷 | 50mA , DC12V |
| 接触电阻 | ≤100mΩ
|
| 绝缘电阻 | ≥100MΩ |
| 绝缘强度 | AC250V for 1 Minute |
寿命
| 300,000
|
| 行程 | 0.25mm±0.1mm
|